• Предмет: Физика
  • Автор: nastyfox
  • Вопрос задан 3 года назад

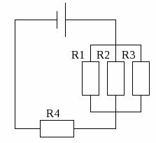
Найти напряжение в резисторе R2, если сопротивления резисторов в цепи R1= 40 Ом, R2= 80 Ом, R3= 40 Ом, R4= 34 Ом. ЭДС источника тока равна 100 В. Внутреннее сопротивление источника не учитывайте.
А.20 В
Б.32 В
В.40 В
Г.68 В

Приложения:

Ответы

Ответ дал: miki555833
4
Два резистора подключены к источнику постоянного напряжения 50 В, с внутренним сопротивлением r= 0,5 Ом. Сопротивления резисторов R1 = 20 и R2 = 32 Ом. Определить ток в цепи и напряжения на резисторах. Так как резисторы подключены последовательно, эквивалентное сопротивление будет равно их сумме. Зная его, воспользуемся законом Ома для полной цепи, чтобы найти ток в цепи. Теперь зная ток в цепи, можно определить падения напряжений на каждом из резисторов. Проверить правильность решения можно несколькими способами. Например, с помощью закона Кирхгофа, который гласит, что сумма ЭДС в контуре равна сумме напряжений в нем. Но с помощью закона Кирхгофа удобно проверять простые цепи, имеющие один контур. Более удобным способом проверки является баланс мощностей. В цепи должен соблюдаться баланс мощностей, то есть энергия отданная источниками должна быть равна энергии полученной приемниками. Мощность источника определяется как произведение ЭДС на ток, а мощность полученная приемником как произведение падения напряжения на ток. Преимущество проверки балансом мощностей в том, что не нужно составлять сложных громоздких уравнений на основании законов Кирхгофа, достаточно знать ЭДС, напряжения и токи в цепи.
Вас заинтересует