• Предмет: Физика
  • Автор: ujvasasha
  • Вопрос задан 10 лет назад

ДАЮ МНОГО Баллов только прошу, это очень срочно нужно. Пожалуйста,помогите. 
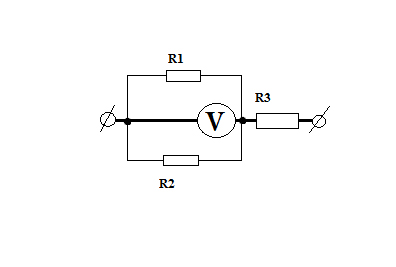
Знайти розподіл струмів і напруг між опорами якщо R1=3 Ом R2=12 ОмR3=5 Ом, а вольтметр показує 9,6.
Дано:
R1=3 Ом
R2=12 Ом
R3=5 Ом
Найти: I1, I2, I3,
U3, Uобщ, Iобщ

Приложения:

Ответы

Ответ дал: MashaPutnaj
0

так как R1 и R2 включены параллельно U1=U2
I1=U1/R1=9,6/3=3,2A
I2=U2/R2=9,6/12=0.8
I3=Io=I1+I2=4A
U3=I3*R3=4*5=20B
Uo=U1+U3=20+9,6=29,6B
Вас заинтересует