• Предмет: Физика
  • Автор: 1996October
  • Вопрос задан 2 года назад

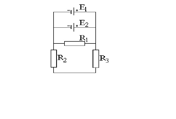
N источников токов c э.д.с. Еn, имеющие внутренние сопротивления rn и реостаты Rk соединены как показано на рисунке 3.3 Вычислить силы токов Ik текущих через реостаты. Данные приведены в таблице

Приложения:

Ответы

Ответ дал: ANNA130704
0
Согласно закону ОМа сила тока в цепи обратнопроорциональна сопротивлентю, I=u/Rзначит при увеличении сопротивления в 2 раза сила тока уменьшиться в 2 раза и будет равна 0,06 (А)
Вас заинтересует