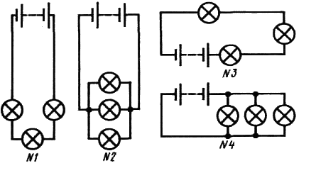
На каких электрических схемах изображено параллельное соединение лампочек?
A) на схемах №1, №2 и №4
B) на схемах №1 и №3
C) на схемах №2 и №4
D) на всех четырех схемах
Приложения:

Ответы
Ответ дал:
0
C) на схемах №2 и №4
Вас заинтересует
2 года назад
2 года назад
2 года назад
2 года назад
7 лет назад
7 лет назад
9 лет назад