• Предмет: Физика
  • Автор: Ruslan1403
  • Вопрос задан 11 лет назад

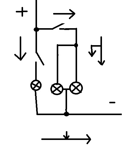
Накресліть схему люстри з трьох ламп, якщо за допомогою одного вимикача вмикається одна лампа, а за допомогою другого - дві інші. 

Тема: "Паралельне та послідовне з'єднання провідників"

 

Ответы

Ответ дал: zivze
0

Вот. На схеме есть объяснения (схематические, естественно) всех соединений, с указание направления движения электрического тока.

Приложения:
Вас заинтересует