помогите пожалуйста!!! Между пластинами плоского конденсатора параллельно им находится пластина А с зарядом q. Первоначально пластина А находится в два раза ближе к левой пластине, чем к правой. Какой заряд пройдет через провод,замыкающий пластины конденсатора при перемещении А в положение, при котором она будет находиться в два раза ближе к правой пластине,чем к левой.
Ответы
                                            Ответ дал: 
                                                                                    
                                        
                                            
                                                
                                                
                                                
                                                    0
                                                
                                            
                                        
                                    
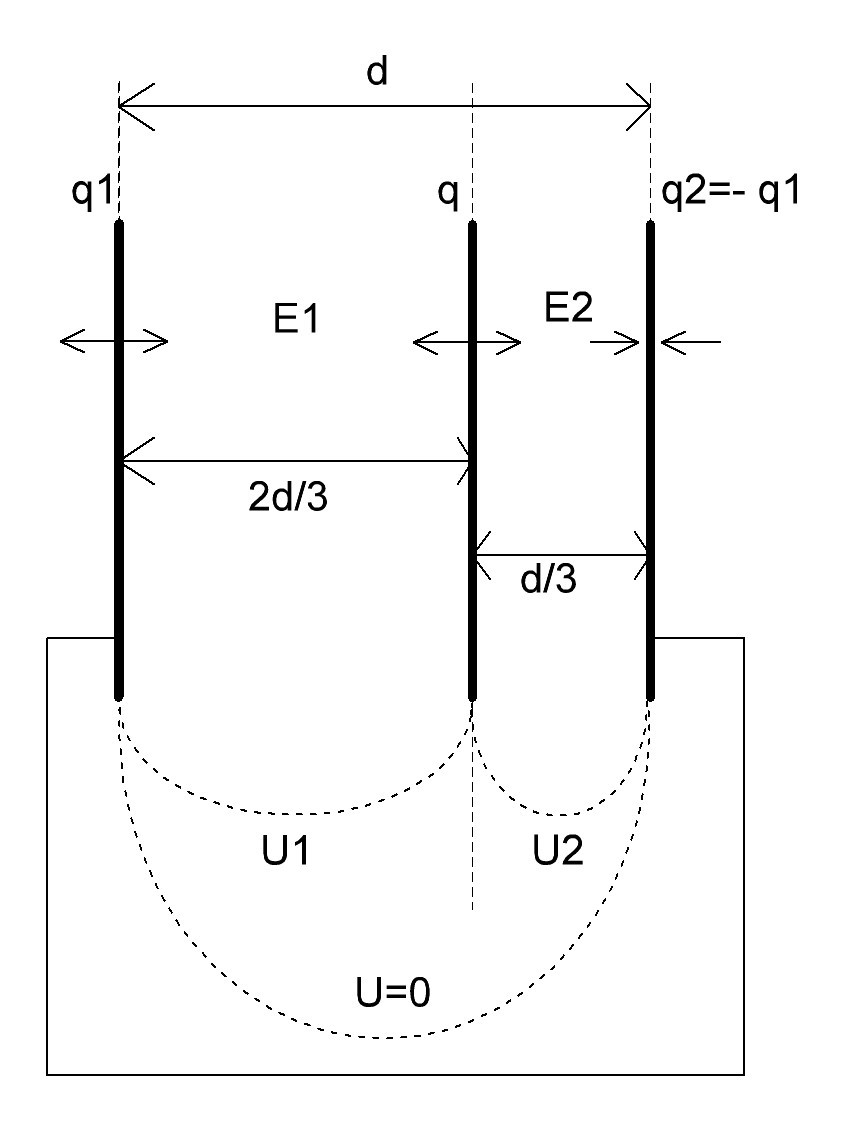
                                        пусть слева находится пластина 1, справа пластина 2 между ними пластина 0
пусть вначале пластина 0 находится ближе в 2 раза к пластине 2
на пластине 1 индуцирован заряд q1 на пластине 2 - заряд q2
q1+q2=0;
q2=-q1
поле между 1 и 0 пластиной E1=q1/(2ee0S)-q/(2ee0S)-q2/(2ee0S)=(q1-q-q2)*1/(2ee0S)
поле между 0 и 2 пластиной E2=q1/(2ee0S)+q/(2ee0S)-q2/(2ee0S)=(q1+q-q2)*1/(2ee0S)
разность потенциалов между 1 и 0 пластиной U1 = E1*d*2/3=(q1-q-q2)*1/(2ee0S)*d*2/3
разность потенциалов между 0 и 2 пластиной U2 = E2*d*1/3=(q1+q-q2)*1/(2ee0S)*d*1/3
разность потенциалов между 1 и 2 пластиной равно нулю
(q1-q-q2)1/(2ee0S)*d*2/3+(q1+q-q2)*1/(2ee0S)*d*1/3=0
(q1-q-q2)*2+(q1+q-q2)*1=0
(2q1-q)*2+(2q1+q)*1=0
4q1-2q+q+2q1=0
q1=q/6
q2=-q/6
после движения к пластине 1 пластины 0 заряд будет
q1*=-q/6
q2*=q/6
заряд каждой пластины изменился на q/3, значит через проводник прошел заряд q/3 - это ответ
                                    
                                                пусть вначале пластина 0 находится ближе в 2 раза к пластине 2
на пластине 1 индуцирован заряд q1 на пластине 2 - заряд q2
q1+q2=0;
q2=-q1
поле между 1 и 0 пластиной E1=q1/(2ee0S)-q/(2ee0S)-q2/(2ee0S)=(q1-q-q2)*1/(2ee0S)
поле между 0 и 2 пластиной E2=q1/(2ee0S)+q/(2ee0S)-q2/(2ee0S)=(q1+q-q2)*1/(2ee0S)
разность потенциалов между 1 и 0 пластиной U1 = E1*d*2/3=(q1-q-q2)*1/(2ee0S)*d*2/3
разность потенциалов между 0 и 2 пластиной U2 = E2*d*1/3=(q1+q-q2)*1/(2ee0S)*d*1/3
разность потенциалов между 1 и 2 пластиной равно нулю
(q1-q-q2)1/(2ee0S)*d*2/3+(q1+q-q2)*1/(2ee0S)*d*1/3=0
(q1-q-q2)*2+(q1+q-q2)*1=0
(2q1-q)*2+(2q1+q)*1=0
4q1-2q+q+2q1=0
q1=q/6
q2=-q/6
после движения к пластине 1 пластины 0 заряд будет
q1*=-q/6
q2*=q/6
заряд каждой пластины изменился на q/3, значит через проводник прошел заряд q/3 - это ответ
Приложения:
                     
                            
                                            Ответ дал: 
                                                                                    
                                        
                                            
                                                
                                                
                                                
                                                    0
                                                
                                            
                                        
                                    
                                        насчет множителя 4ееоS
по теореме остроградского гаусса получается что поле заряженной пластины равно E=q/(2eeoS)
не путать с законом кулона:
поле заряда E=q/(4*pi*e*eo)*1/r^2
                                        
                                        
                                по теореме остроградского гаусса получается что поле заряженной пластины равно E=q/(2eeoS)
не путать с законом кулона:
поле заряда E=q/(4*pi*e*eo)*1/r^2
                                            Ответ дал: 
                                                                                    
                                        
                                            
                                                
                                                
                                                
                                                    0
                                                
                                            
                                        
                                    
                                        Да,Остроградского-Гаусса давали определение,а как применять не отработали.. не могу понять почему изменение заряда q/3.
                                    
                                        
                                        
                                
                                            Ответ дал: 
                                                                                    
                                        
                                            
                                                
                                                
                                                
                                                    0
                                                
                                            
                                        
                                    
                                        Спасибо!
                                    
                                        
                                        
                                
                                            Ответ дал: 
                                                                                    
                                        
                                            
                                                
                                                
                                                
                                                    0
                                                
                                            
                                        
                                    
                                        еще вопросы остались ?
                                    
                                        
                                        
                                
                                            Ответ дал: 
                                                                                    
                                        
                                            
                                                
                                                
                                                
                                                    0
                                                
                                            
                                        
                                    
                                        Спасибо большое! разобрался. Очень подробно и доступно!
                                    
                                        
                                        
                                Вас заинтересует
                
                        2 года назад
                    
                
                        2 года назад
                    
                
                        7 лет назад
                    
                
                        7 лет назад
                    
                
                        10 лет назад
                    
                
                        10 лет назад