• Предмет: Физика
  • Автор: ксюша8569597
  • Вопрос задан 11 лет назад

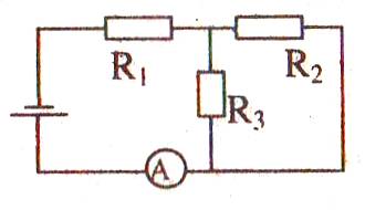
Суперзадания по лабораторной работе. Рассматривая амперметр как третий проводник, соединённый последовательно с R1 и R2, измерьте напряжения на нём. Зарисуйте в тетрадь схему цепи, запишите результаты измерения и объясните.

Ответы

Ответ дал: Veronika266
0

 сопротивление в амперметре должно быть много меньше чем в резистрах------- ну скажем близким к 0 ----  для того чтобы не влиять на измерение силы тока в цепи, тогда из формулы видим  U=I*R=I*0=0 ---напряжение на амперметре очень близко к 0

 

Приложения:
Вас заинтересует