накресліть скему електричного кола,до складу якого входять батарея гальванічних елементів,два ключа,три лампочки.Можуть горіти одна,одночасово дві або три лампочки
Ответы
Ответ дал:
0
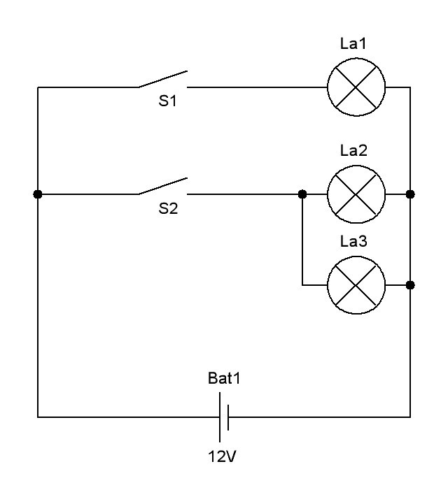
примерно так
может быть включен любой из ключей или оба вместе
если не включен ни один из ключей - лампочки не горят,
если включен первый ключ - горит только первая лампочка
если включен второй ключ - горит только вторая и третья лампочка
если включен первый и второй ключ - горят все три лампочки
может быть включен любой из ключей или оба вместе
если не включен ни один из ключей - лампочки не горят,
если включен первый ключ - горит только первая лампочка
если включен второй ключ - горит только вторая и третья лампочка
если включен первый и второй ключ - горят все три лампочки
Приложения:

Ответ дал:
0
написано напряжение на батарее 12 в - не обращайте внимание )))
Вас заинтересует
2 года назад
7 лет назад
10 лет назад
10 лет назад