Биссектриса одного из углов прямоугольника делит сторону,которую она пересекает на 2 равных отрезка.Найдите периметр прямоугольника,если его меньшая сторона:1)15 см,2)3,8 дм
Ответы
Ответ дал:
0
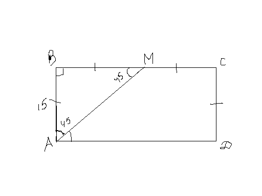
Биссектриса АМ разделила угол А пополам, т.е по 45гр., т.к угол В=90гр, то треугольник АВМ-равнобедренный, стороны АВ=ВМ, а ВМ=МС по условию., тогда:
1). АВ=15. Противоположные стороны равны, то периметр
Р=15+30+15+30=90.
2). АВ=3,8 дм , Р=3,8+3,8+7,6+7,6=22,8 дм.
1). АВ=15. Противоположные стороны равны, то периметр
Р=15+30+15+30=90.
2). АВ=3,8 дм , Р=3,8+3,8+7,6+7,6=22,8 дм.
Приложения:
Вас заинтересует
3 года назад
3 года назад
8 лет назад
10 лет назад
10 лет назад
11 лет назад