1)диагональ ромба образует с одной из его сторон угол 20 градусов. найдите углы ромба
2)Один из углов прямоугольника делит его сторону на две части,каждая из которых равна 54 см. Найдите периметр прямоугольника.
3) Биссектриса угла прямоугольника делит его сторону на две части,каждая из которых равна 5 см.Найдите периметр прямоугольника.
ПОМОГИТЕ ПОЖАЙЛУСТО ЗАВТРА КОНТРОЛЬНАЯ ОЧЕНЬ НУЖНА ВАША
ПОМОЩЬ♥
ХОТЯБЫ ЗАДАЧИ КОТОРУЮ СМОЖИТЕ ПОРОШУУ ВАСС
Ответы
Ответ дал:
0
1). Диагонали ромба делят его углы пополам, т.к ромб это параллелограмм с равными сторонами, то у него противоположные углы равны, поэтому угол А=20+20=40 , угол А= углу С =40 , угол В= углу Д = (360-80)/2=140.
2). пока пропуск.
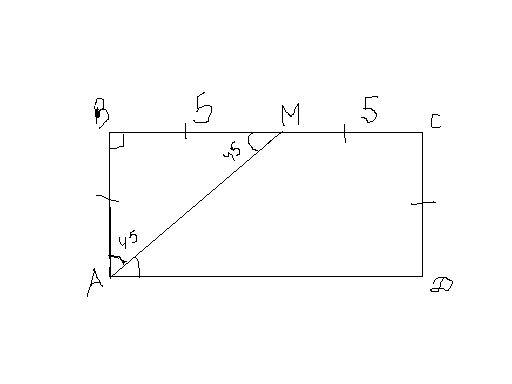
3). Т.к АВСД-прямоугольник противоположные стороны равны. Биссектриса АМ делит сторону ВС на два отрезка по 5 см , ВС=АД =5+5=10. Треугольник АВМ -равнобедренный, т.к Угол ВАМ=45гр (АМ-биссектриса) а угол ВМА= 180-90-45=45. АВ=ВМ=5. АВ=СД=5
Р=5+5+10+10=30.
2). пока пропуск.
3). Т.к АВСД-прямоугольник противоположные стороны равны. Биссектриса АМ делит сторону ВС на два отрезка по 5 см , ВС=АД =5+5=10. Треугольник АВМ -равнобедренный, т.к Угол ВАМ=45гр (АМ-биссектриса) а угол ВМА= 180-90-45=45. АВ=ВМ=5. АВ=СД=5
Р=5+5+10+10=30.
Приложения:
Вас заинтересует
3 года назад
8 лет назад
8 лет назад
10 лет назад
11 лет назад