35 БАЛЛОВ ЗА полное решение и ответ с конечной формулой!!! Помогите пожалуйста. Задача представлена на скриншоте ниже.
Приложения:
Ответы
Ответ дал:
0
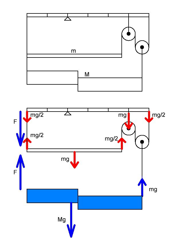
сумма моментов сил стремящихся вращать рычаг по часовой стрелке равна сумме моментов сил, стремящихся вращать рычаг против часовой стрелки
2*mg/2+2*F = 3*mg+4*mg/2
mg+2*F = 3*mg+2*mg
2F = 4*mg
F=2*mg
Mg = F+mg =2*mg+mg=3*mg
M = 3*m = 3*3 кг =9 кг - это ответ
2*mg/2+2*F = 3*mg+4*mg/2
mg+2*F = 3*mg+2*mg
2F = 4*mg
F=2*mg
Mg = F+mg =2*mg+mg=3*mg
M = 3*m = 3*3 кг =9 кг - это ответ
Приложения:
Ответ дал:
0
Господи
Ответ дал:
0
Спасибо большое!!!
Вас заинтересует
3 года назад
3 года назад
8 лет назад
8 лет назад
10 лет назад
10 лет назад
11 лет назад