• Предмет: Физика
  • Автор: Annyshkasun
  • Вопрос задан 10 лет назад

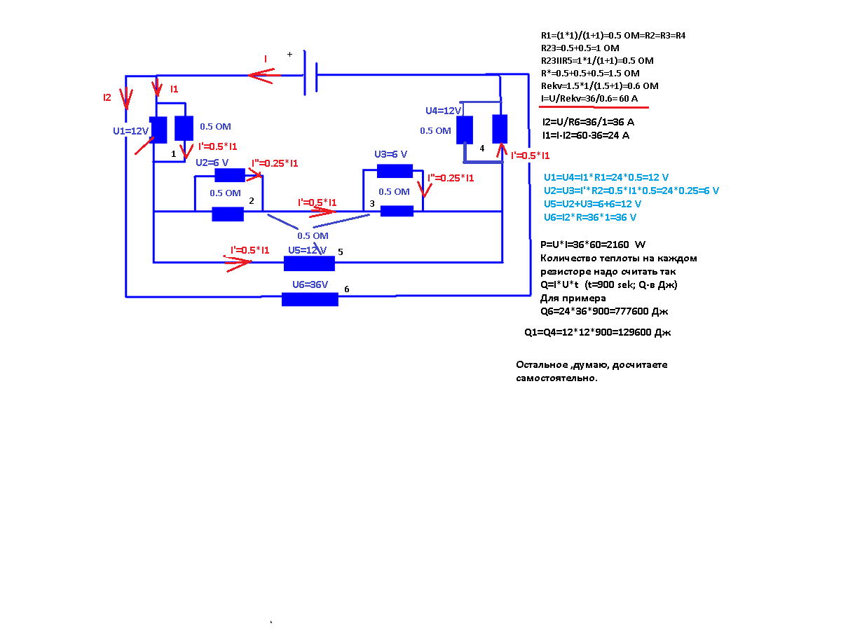
Напряжение в электрической цепи равно 36 вольт.Сопротивления каждого резистора равно 1 Ому.1)Найдите мощность
электрической
цепи.2)Найдите силу тока цепи и на каждом резисторе.3) найдите напряжение на каждом резисторе и количество теплоты,выделенное каждым резистором за 15 минут. Помогите,я вообще ничего не понимаю!!!

Приложения:

Ответы

Ответ дал: lenalviv
0
Посмотрите  рисунок.Думаю разберетесь.Удачи.
Приложения:
Вас заинтересует