• Предмет: Черчение
  • Автор: Лирчик1
  • Вопрос задан 2 года назад

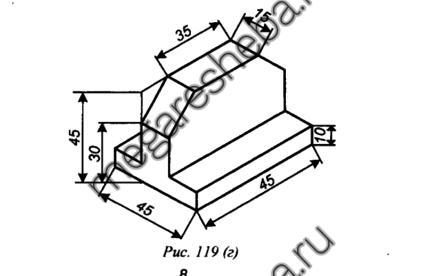
Начертите 3 вида проекции.

Приложения:

Ответы

Ответ дал: tatianasav
1
вот вроде вот так
удачи)
Приложения:
Вас заинтересует