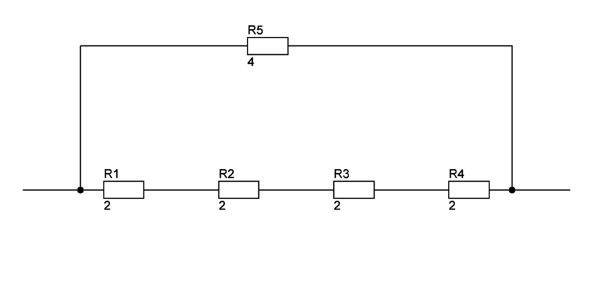
К четырем резисторам по 2 Ом каждый, соединённых последовательно, подключили паралельно резистор сопротивлением 4 Ом. Определить эквивалентное сопротивление цепи. Начертите схему цепи. Найти ток, если подаваемое напряжение равно 12В.
Помогите, пожалуйста.
Ответы
Ответ дал:
0
R1.2.3.4=R1+R2+R3+R4=2+2+2+2=8 Ом
Rэкв=R5*R1.2.3.4/R5+R1.2.3.4=4*8/12=2.66 Ом
Io=U/Rэкв=12/2.66=4.5 A
Rэкв=R5*R1.2.3.4/R5+R1.2.3.4=4*8/12=2.66 Ом
Io=U/Rэкв=12/2.66=4.5 A
Приложения:
Вас заинтересует
2 года назад
2 года назад
7 лет назад
7 лет назад
9 лет назад
9 лет назад