• Предмет: Физика
  • Автор: Stasya36
  • Вопрос задан 11 лет назад

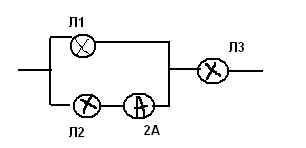
Определите мощность потребляемой лампой Л3 если сопротивление лампы Л1 рано 3 Ом, лампы Л2 6 Ом, лампы Л3 5 ом

Приложения:

Ответы

Ответ дал: lay999
0

Амперметр считаем идеальным (Ra = 0 Ом, γ = 0 %).

Как следует из закона Ома, сила тока на участке цепи пропорциональна напряжению, приложенному к концам участка, и обратно пропорциональна сопротивлению этого участка:

I = U/R

Тогда падение напряжения на лампе Л2

U2 = I2*Rл2 = 2*6 = 12 В

Так как лампы соединены параллельно, к лампе Л1 приложено то же самое напряжение, а ток через нее составляет

I1 = U2/Rл1 = 12/3 = 4 А

По первому закону Кирхгофа алгебраическая сумма токов в узле равна нулю. Тогда ток через лампу Л3 равен

I = I1+I2 = 2+4 = 6 A

Мощность определим по формуле

P = I^2*R = 6^2*5 = 180 Вт

Вас заинтересует