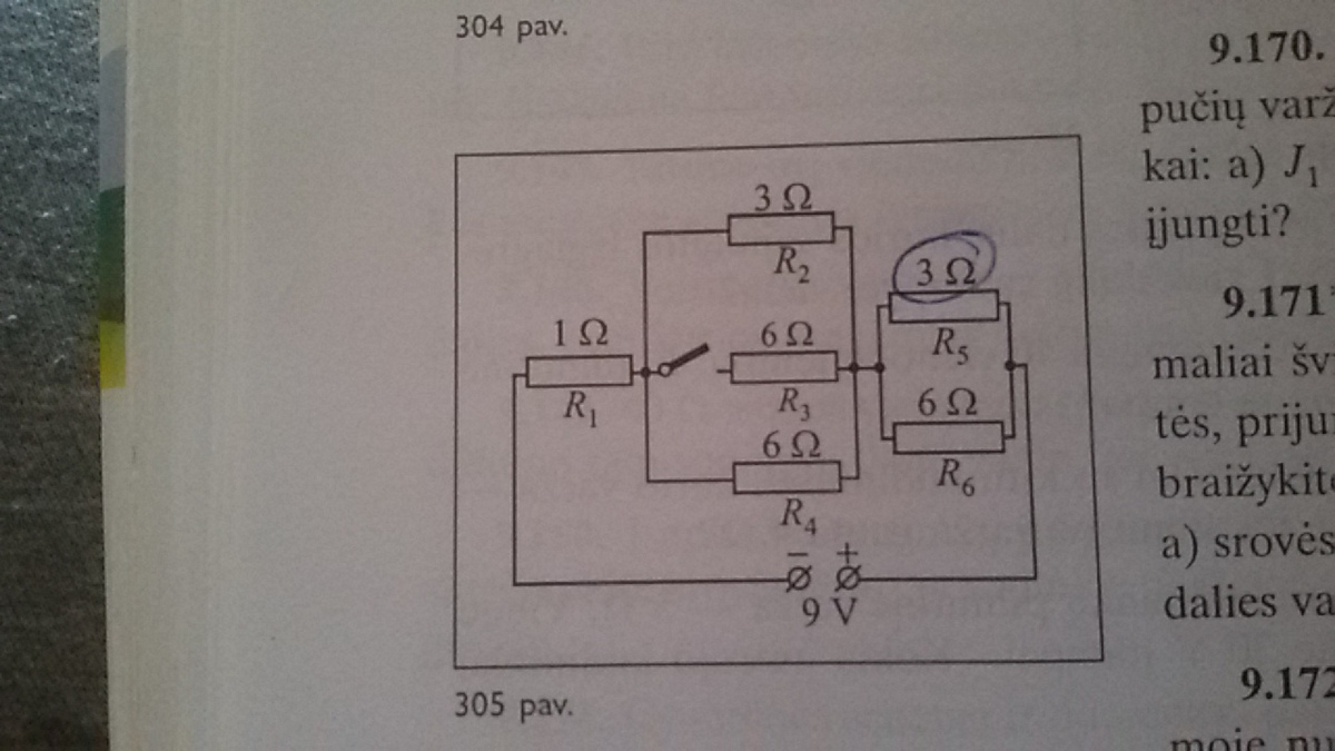
Рассчитать силу тока в цепи и напряжение в резисторе R5:
a)когда цепь включена
б)когда цепь выключена
Приложения:

Ответы
Ответ дал:
0
Да не прогонит 9 вольт через резистор в 22 кОм ток в 50мА! Ток будет 9/22000=0,41мА. Вот и все решение для Вашей цепи!(материал с сайта майл)
Вас заинтересует
2 года назад
7 лет назад
9 лет назад
9 лет назад
10 лет назад
10 лет назад