• Предмет: Физика
  • Автор: maksimus122001
  • Вопрос задан 10 лет назад

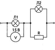
Определите мощность, потреб¬ляемую лампой Л2 (рис. 27), если сопротивление резистора R равно 3 Ом, а сопротивления нитей ламп соответственно равны 5 Ом, 6 Ом.

Приложения:

Ответы

Ответ дал: ValeriyZharkov
0
Вот решение. Надеюсь, оно правильное.
Приложения:
Вас заинтересует