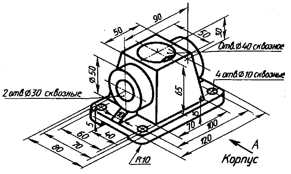
Постройте чертёж детали ( главный вид, вид сверху, вид слева ) по её наглядному изображению с учётом симметрии в 2 плоскостях,нанесите размеры. Помогите пожалуйста!!!
Приложения:

Ответы
Ответ дал:
0
перечерти по размерам и все тут очень легко.
Vovan1171:
Ну хотя бы приблизительно в тетрадке любым размером, я потом своими начерчу
Вас заинтересует
1 год назад
1 год назад
2 года назад
2 года назад
6 лет назад
6 лет назад
8 лет назад