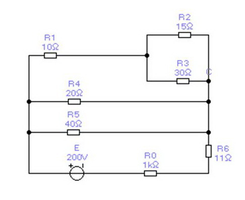
Помогите! Даю 55 б. В цепи со смешанным соединением сопротивлений (рисунок 9)
E=200 B , R1=10 Ом, R2=15 Ом, R3=30 Ом, R4=20 Ом, R5=40 Ом, R6=11 Ом, I6=10 A.
Вычислить токи, напряжения и мощности каждого участка и всей цепи, Определить внутреннее сопротивление Ro э.д.с. Составить баланс мощностей.
Приложения:
Ответы
Ответ дал:
0
Нууу задача сложная, не уверен, что дам правильный ответ, но попытаюсь
Вроде все решать нужно по формуле Y=U/R
Если Сначала найди общее сопротивление ДЛя R3 R2
Найди так все участки и пол задачи считай уже решено
Вроде все решать нужно по формуле Y=U/R
Если Сначала найди общее сопротивление ДЛя R3 R2
Найди так все участки и пол задачи считай уже решено
Вас заинтересует
2 года назад
2 года назад
7 лет назад
10 лет назад
10 лет назад