Нужна срочно помощь, даю 40 баллов
Найти величины токов ветвей по схеме
Напряжение, Силу тока и т.д
На рисунке дано всё
Приложения:
Ответы
Ответ дал:
0
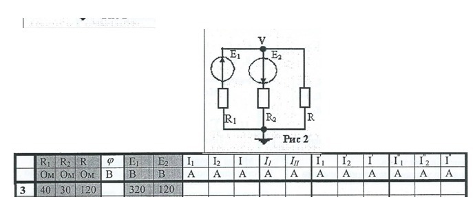
Для схемы с двумя узлами найдём напр. по ф-ле:
без земли в точке b: Uab=E1g1-E2g2/g1+g2+g3=320*0.025-120*0.033/0.025+0.033+0.00833=60в где g=1/R
Считаем токи в ветвях:
I1=E1-Uab/R1=320-60/40=6.5a
I2=-E2-Uab/R2= -120-60/30=6a
I3=Uab/R =60/120=0.5a
Когда точка b заземлена, получим:что потенциал точки Фиb=0, тогда
Фи,а=фи,b+E1=320в, I2=I1=фи,а+Е2/R1+R2=440/70=6.28a
ток I через R=320/R=320/120=2.66a
без земли в точке b: Uab=E1g1-E2g2/g1+g2+g3=320*0.025-120*0.033/0.025+0.033+0.00833=60в где g=1/R
Считаем токи в ветвях:
I1=E1-Uab/R1=320-60/40=6.5a
I2=-E2-Uab/R2= -120-60/30=6a
I3=Uab/R =60/120=0.5a
Когда точка b заземлена, получим:что потенциал точки Фиb=0, тогда
Фи,а=фи,b+E1=320в, I2=I1=фи,а+Е2/R1+R2=440/70=6.28a
ток I через R=320/R=320/120=2.66a
Вас заинтересует
2 года назад
2 года назад
7 лет назад
7 лет назад
10 лет назад
10 лет назад
10 лет назад
10 лет назад