Помогите пожалуйста:с (25 баллов)
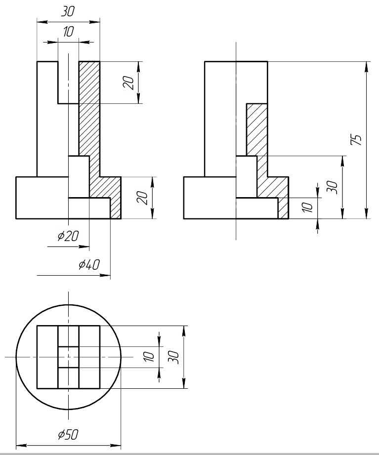
По данному виду постройте ещё два вида детали .Выполните необходимые разрезы.
Приложения:
Ответы
Ответ дал:
1
Скорее всего так три проекции и два разреза, хотя можно было ограничиться одним.
Приложения:
maschakriki:
Спасибо огромное вам ,да так и должно быть)
Вас заинтересует
2 года назад
2 года назад
2 года назад
3 года назад
3 года назад
9 лет назад
9 лет назад