• Предмет: Физика
  • Автор: Shvetka13
  • Вопрос задан 11 лет назад

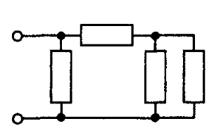
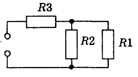
Вычислите электрическое сопротивление участков цепи, представленных на рисунках, если сопротивления резисторов: 1)одинаковы и равны 2 Ом (рис 1); 2)R1 = 3 Ом, R2 = 6 Ом, R3 = 4 Ом ( рис 2); 3)одинаковы и равны 2 Ом ( рис 3); 4) одинаковы и равны 4 Ом (рис 4); 5) одинаковы и равны 3 Ом (рис 5); Буду очень благодарна!!!))))

Приложения:

Ответы

Ответ дал: Ритик0508
0

1) 

R1+R2+1R3+1R4

2+2+12+12=5

2)

13+16+4=(2+1)6+4=4.5

3)

12+12+12+2=3.5

4)

14+14+14+4=4.5

5)

13+13+3+3=6+23=203

Вас заинтересует