Физика 8 класс. Последовательные и параллельные соединения проводников. По схеме надо составить задачу и решить её.
U = 15 B
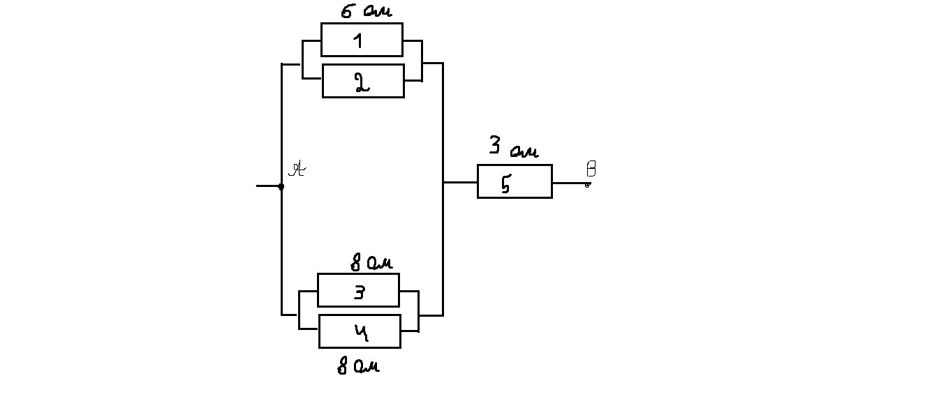
R общ. = ?
I общ. = ?
Приложения:

Ответы
Ответ дал:
0
R=1/6+1/6+1/8+1/8+3=2/6+2/8+3=1/3+1/4+3=3 7/12
I=U/R
I=15:3 7/12=сосчитать)
I=U/R
I=15:3 7/12=сосчитать)
Вас заинтересует
2 года назад
2 года назад
7 лет назад
7 лет назад
9 лет назад
9 лет назад
10 лет назад