• Предмет: Физика
  • Автор: key15anya
  • Вопрос задан 11 лет назад

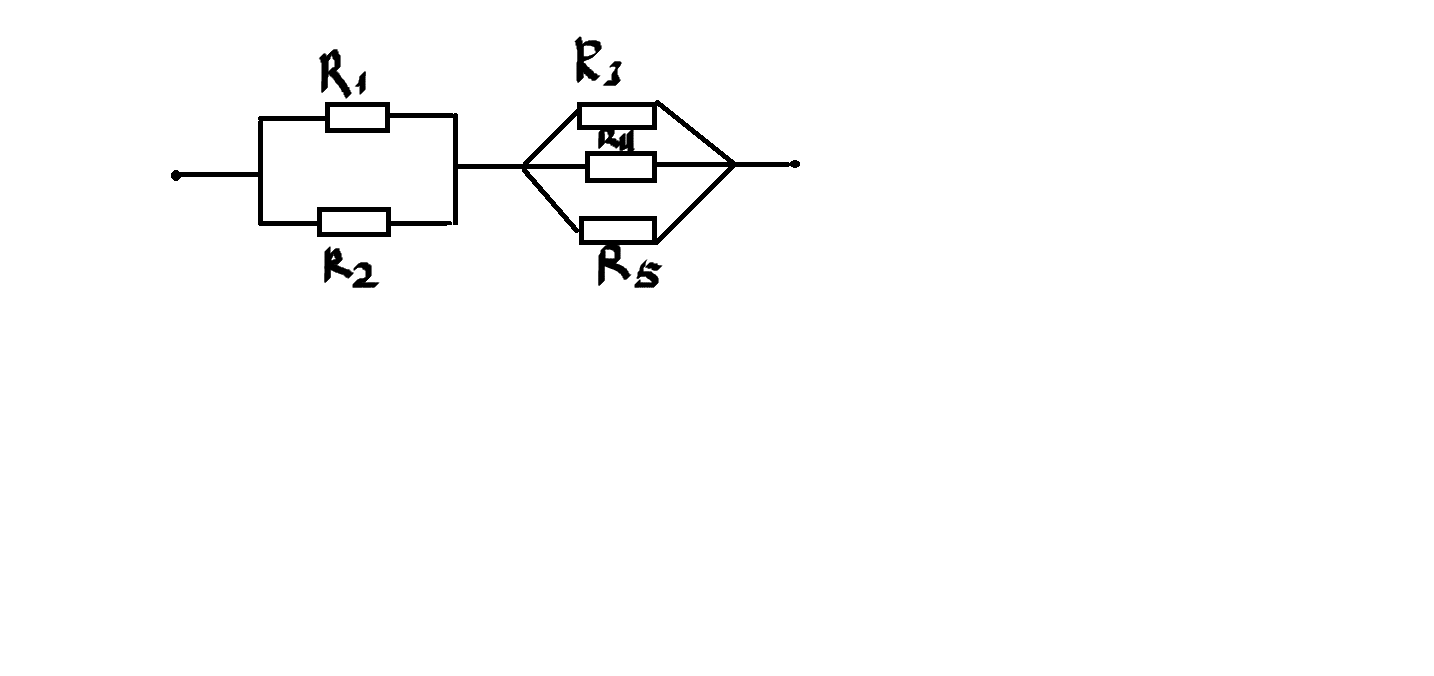
Определить общее сопративление цепи, если R1=40м, R2=60м, R3=R4=R5=12Ом

 

Приложения:

Ответы

Ответ дал: Dantes011
0

1/R1 + 1/R2= 60Ом

1/R3+1/R4+1/R5= 360Ом

Rобщ.= 360+ 60 = 420Ом, поидее так , но я не уверен, немного подзабыл

 

Вас заинтересует