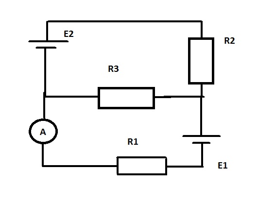
Первая ЭДС равна 30 В, вторая 5В. Сопротивление второго резистора 10 Ом, третьего - 20 Ом. Через амперметр сверху вниз идет ток 1 А. Найти сопротивление первого резистора. Сопротивлением амперметра и источников пренебречь
Приложения:

Ответы
Ответ дал:
0
E = E1 - E2 = 30 - 5 = 25B
R2,3 = 10 + 20 = 30Oм
I = E / R R = E / I R = (R1*R2,3) / (R1 + R2,3) 30R1 / (30 + R1) = 25
30R1 = 75 + 25R1
5R1 = 75
R1 = 15Ом
Вас заинтересует
2 года назад
8 лет назад
8 лет назад
10 лет назад
10 лет назад
10 лет назад