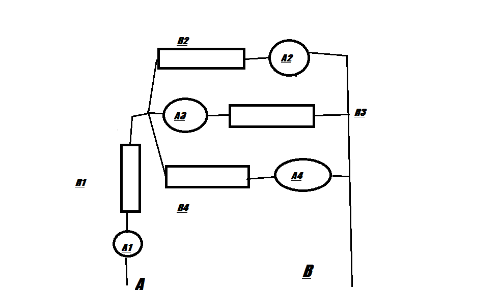
четыре одинаковых сопротивления соединены по схеме,изображенной на рисунке 8.падение напряжения на первом сопротивлении 24 В,а ток в нем 5,0 А. определить значение каждого сопротивления ,общее сопротивление цепи и напряжение в сети.
Приложения:

Ответы
Ответ дал:
0
R1 = U1 / I1 = 24 / 5 = 4,8 (Ом)
R1 = R2 = R3 = R4 по условию.
Тогда R на разветвленном участке = R1 / 3 = 4,8 / 3 = 1,6 (Ом)
R общее = R1 + R = 4,8 + 1,6 = 6,4 (Ом)
Т.к. при последовательном соединении I = const, то U общее = R общее * I = 6,4 * 5 = 32 (В)
Вас заинтересует
2 года назад
2 года назад
8 лет назад
8 лет назад
10 лет назад
10 лет назад