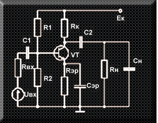
Назначение резисторов R1 и R2
a) Термостабилизация каскада
b) Положение рабочей точки каскада
c) Входное сопротивление каскада
d) Выходное сопротивление каскада
Приложения:

Ответы
Ответ дал:
0
ответ б положение рабочей точки каскада
Вас заинтересует
2 года назад
2 года назад
8 лет назад
8 лет назад
10 лет назад
10 лет назад
10 лет назад