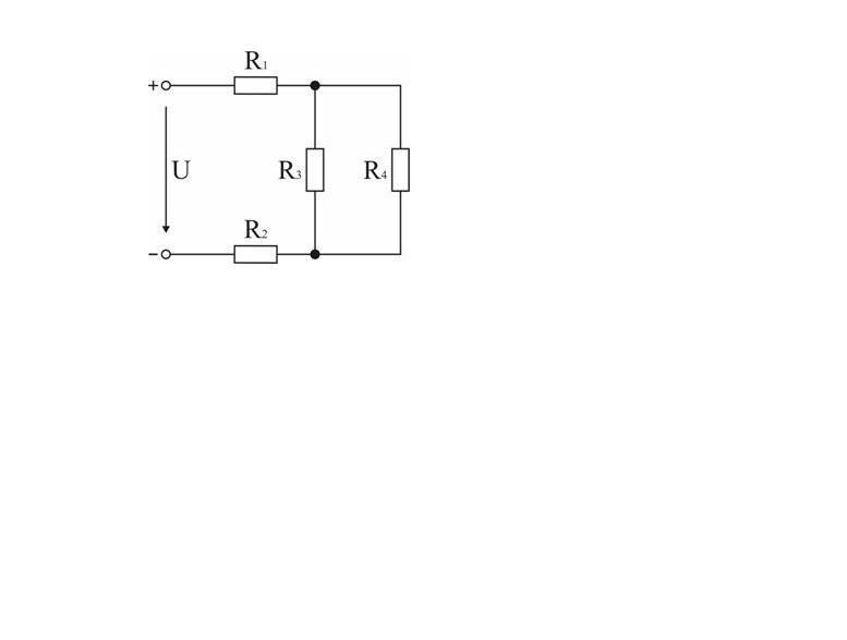
В схеме R1 = R3 = 40 Ом, R2 = 20 Ом, R4 = 30 Ом, I3 = 5 А. Вычислить напряжение источника U и ток I4?
Приложения:
Ответы
Ответ дал:
2
В фото
---------------------------------------------
---------------------------------------------
Приложения:
Вас заинтересует
2 года назад
2 года назад
2 года назад
3 года назад
9 лет назад
9 лет назад