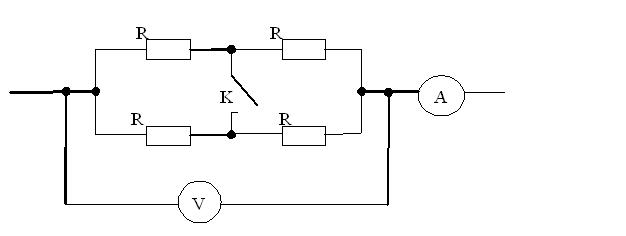
Укажите, как изменятся показания электроизмерительных приборов:
а)
амперметра,
б)
вольтметра,
если
в электрической цепи замкнуть ключ К.
Приложения:

Ответа на этот вопрос пока нет. Попробуйте найти его через форму поиска.
Вас заинтересует
2 года назад
2 года назад
8 лет назад
10 лет назад