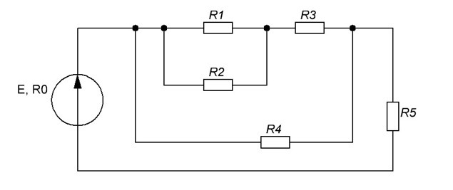
К электрической цепи из пяти резисторов сопротивлениями R1, R2, R3, R4, R5 подключен источник с эдс E и внутренним сопротивлением R0. Необходимо найти общее внешнее сопротивление Rобщ, силу тока в каждом резисторе I1, I2, I3, I4, I5 и напряжение на каждом резисторе U1, U2, U3, U4, U5. Для проверки правильности решения составить баланс мощностей.
E = 200 В
R0 = 1 Ом
R1 = 6.8 Ом
R2 = 4.7 Ом
R3 = 3.3 Ом
R4 = 2.2 Ом
R5 = 1.5 Ом
Приложения:
Ответы
Ответ дал:
0
есть такой очень нужный ЗАКОН КИРХГОФА. внимательно поработай с ним и через 20минут подобные задачи будешь щелкать как семечки. на себе испытано. и зачет и экзамен сдал без проблем. правда, это было давно, лет35 назад, но закон не изменился. главное-внимательность.
Rainchat:
Видел это на другом форуме,точно такой же ответ
Вас заинтересует
2 года назад
2 года назад
2 года назад
2 года назад
3 года назад
3 года назад
9 лет назад
9 лет назад