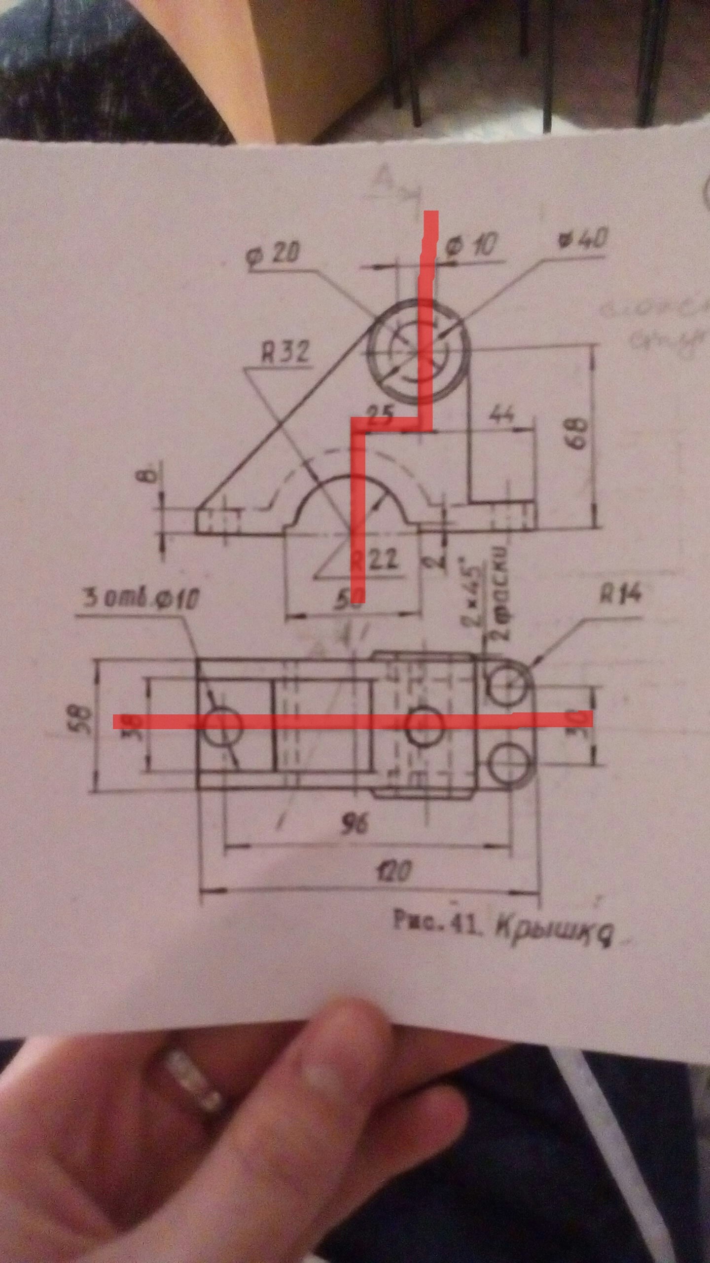
Ребят, умоляю, кто шарит в черчении, помогите пожалуйста нарисовать вид слева (профильный вид) детали.
Еще нужно выполнить сложный разрез (я выделила его красной линией) на виде спереди и простой разрез на виде сверху.
Если хоть чем то поможете буду оооочень благодарна. ❤❤❤
Приложения:
Ответы
Ответ дал:
2
На третьем снимке штриховать не стал, у меня программа почему то зависает при нанесении штриховки.
Приложения:
Виквик:
Спасибо огромное!!!
Вас заинтересует
2 года назад
2 года назад
2 года назад
3 года назад
9 лет назад