Сделайте чтение сборочного чертежа.
План:
1 Найти название изделия
2 определить предназначение
3 определить количество видов, пишем какие
4 прочитать спецификацию
5 определить какая деталь, с какой соединяется, и при помощи чего
6 определить какие размеры и сечения на каких видах находятся, для чего они нужны
7 определить габаритные размеры
8 определить установочные размеры
Приложения:
Ответы
Ответ дал:
0
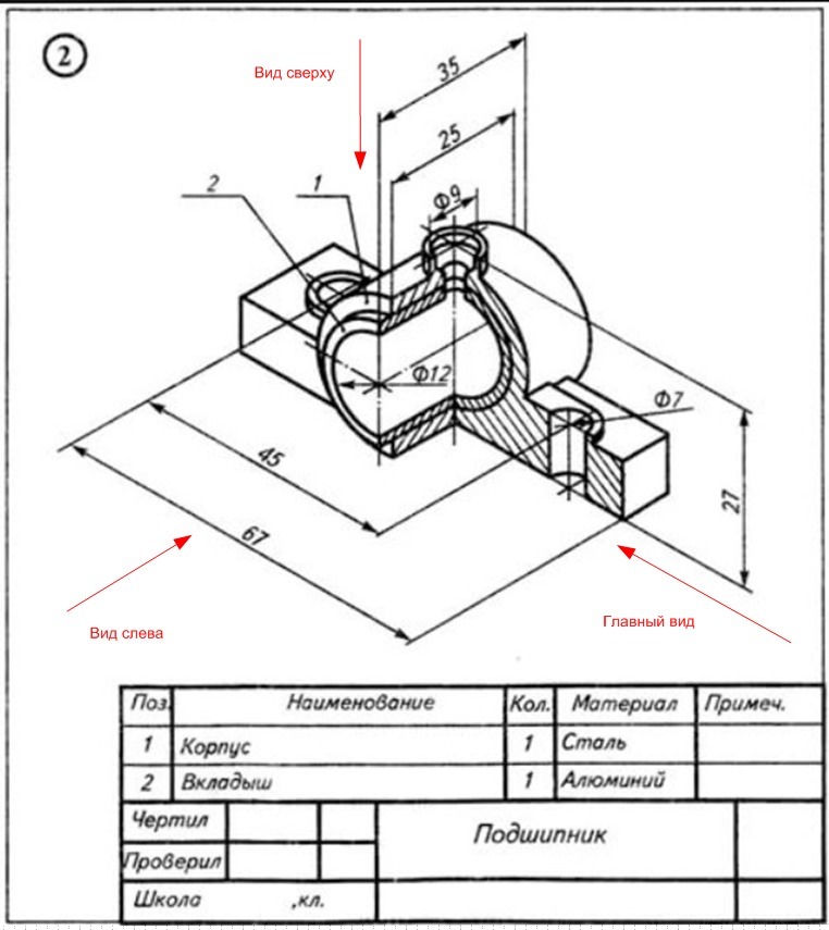
1. Деталь называется подшипник.2. Деталь служит для опоры вала или оси.3. Для изготовления детали необходимы три вида проекций. Главный вид (фронтальный), вид сверху (горизонтальный), вид слева (профильный).4. Деталь состоит из следующих элементов: позиция 1 - корпус детали, изготовлен из стали, позиция 2 - вкладыш, изготовлен из аллюминия.5. Вкладыш, плотно вставляется в корпус детали, таким образом, чтобы исключить проворачивание (скорее всего горячая запрессовка).6. На данном изображении, представлена изометрическая проекция детали, с вырезом 1/4 части. На главном виде, а также на виде слева, проекция детали должна отображаться совмещенной с разрезом. Это необходимо для детального рассмотрения отверстия для подачи масла, которое расположено сверху корпуса подшипника.7. Габаритные размеры детали 35х67х27 мм.8. Расстояние между отверстиями для установки составляет 45 мм.
Приложения:
Вас заинтересует
2 года назад
2 года назад
2 года назад
2 года назад
3 года назад
9 лет назад