• Предмет: Физика
  • Автор: kaktak2
  • Вопрос задан 9 лет назад

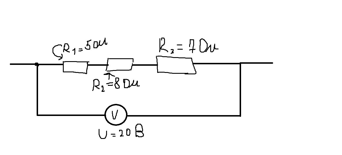
Помогите пожалуйста: Определить силу тока в каждом резисторе

Приложения:

Ответа на этот вопрос пока нет. Попробуйте найти его через форму поиска.

Вас заинтересует