• Предмет: Физика
  • Автор: lemonsemyonox5ay2
  • Вопрос задан 2 года назад

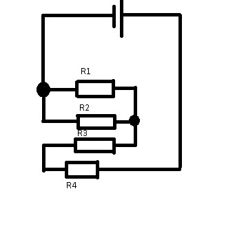
R1=10 Ом
R2=10 Ом
R3=40 Ом
R4=40 Ом
U=26 В
Найти:
I1; I2 ;I3; I4

Приложения:

Ответы

Ответ дал: majesty15
0
I1=U:R=26:10=2,6
I2=26:10=2,6
I3=26:40=0,65
I4=26:40=0,65
По моему так
Вас заинтересует