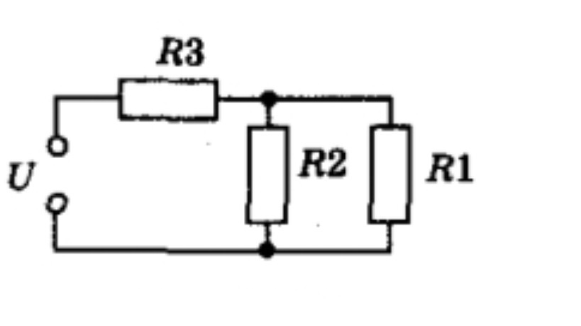
Определить силу тока, протекающего через сопротивление R1, в цепи изображенной на рисунке учитывая, что R1=2кОм,R2=1кОм, R=2кОм, U=24В.
Приложения:
Ответа на этот вопрос пока нет. Попробуйте найти его через форму поиска.
Вас заинтересует
2 года назад
2 года назад
3 года назад
3 года назад
9 лет назад
10 лет назад
10 лет назад