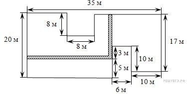
На рисунке изображён план сада, вдоль периметра которого нужно вырыть канаву, Штриховой линией показана деревянная дорожка, которую нужно выложить, её ширина 0,5 м
Приложения:

Ответы
Ответ дал:
0
20:2=10(м)
1)35:8=4(м)
2)3*5=15(м)
3)10:6=1(м)
4)10:17=0(м)
Ответ: 15(м)
1)35:8=4(м)
2)3*5=15(м)
3)10:6=1(м)
4)10:17=0(м)
Ответ: 15(м)
Вас заинтересует
2 года назад
3 года назад
3 года назад
9 лет назад
9 лет назад