• Предмет: Физика
  • Автор: Mihail420
  • Вопрос задан 8 лет назад

Помогите, пожалуйста, что-нибудь из этого сделать

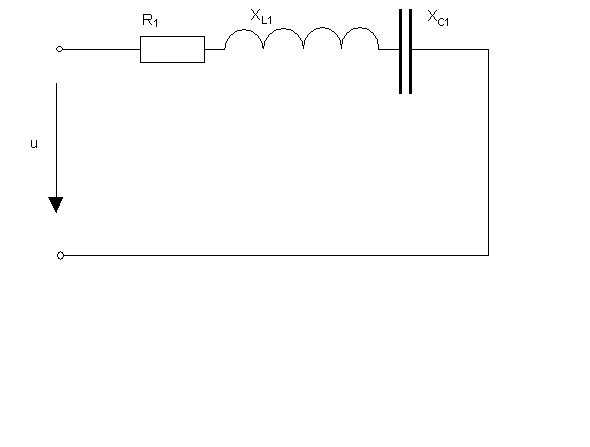
Цепь переменного тока содержит различные элементы (резисторы, индуктивности, емкости) , включённые последовательно. Схема цепи приведена на рисунке.
Начертить схему цепи и определить следующие величины, относящиеся к данной цепи, если они не заданы:
1)Полное сопротивление Z;
2)Напряжение U, приложенное к цепи;
3)Ток I;
4)Угол сдвига фаз φ (по величине и знаку) ;
5)Активную P, реактивную Q и полную S мощности цепи.
6)Начертить в масштабе векторную диаграмму цепи и пояснить ее построение.

Указанные данные R1= 3 Om, XL1= 2 Om, XC1=6 Om, U=50 В

Приложения:

Ответы

Ответ дал: дамип1
0
измерения длины и складывания
Вас заинтересует