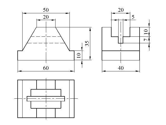
Построить три вида модели. Главный вид взять по стрелке А. Проставить размеры

Приложения:

Ответы

Ответ дал: Букса
3
+++++++++++++++++++++++++++
Приложения:

Zukra: спасибо))))))
Букса: Удачи!!!!!
Вас заинтересует