Ответы
Ответ дал:
1
+++++++++++++++++++++++++++++++
Приложения:

draftsmanship:
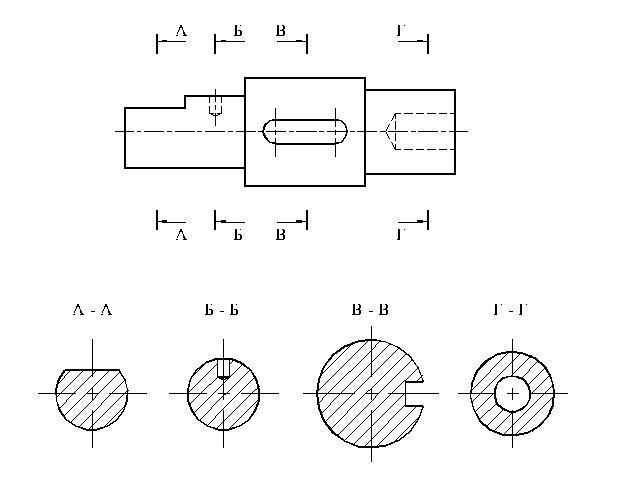
Так я тоже думал, что если сместить сечение с отверстием, либо на правый край, либо на левый, вроде бы получается.
Вас заинтересует
1 год назад
1 год назад
2 года назад
2 года назад
3 года назад
8 лет назад