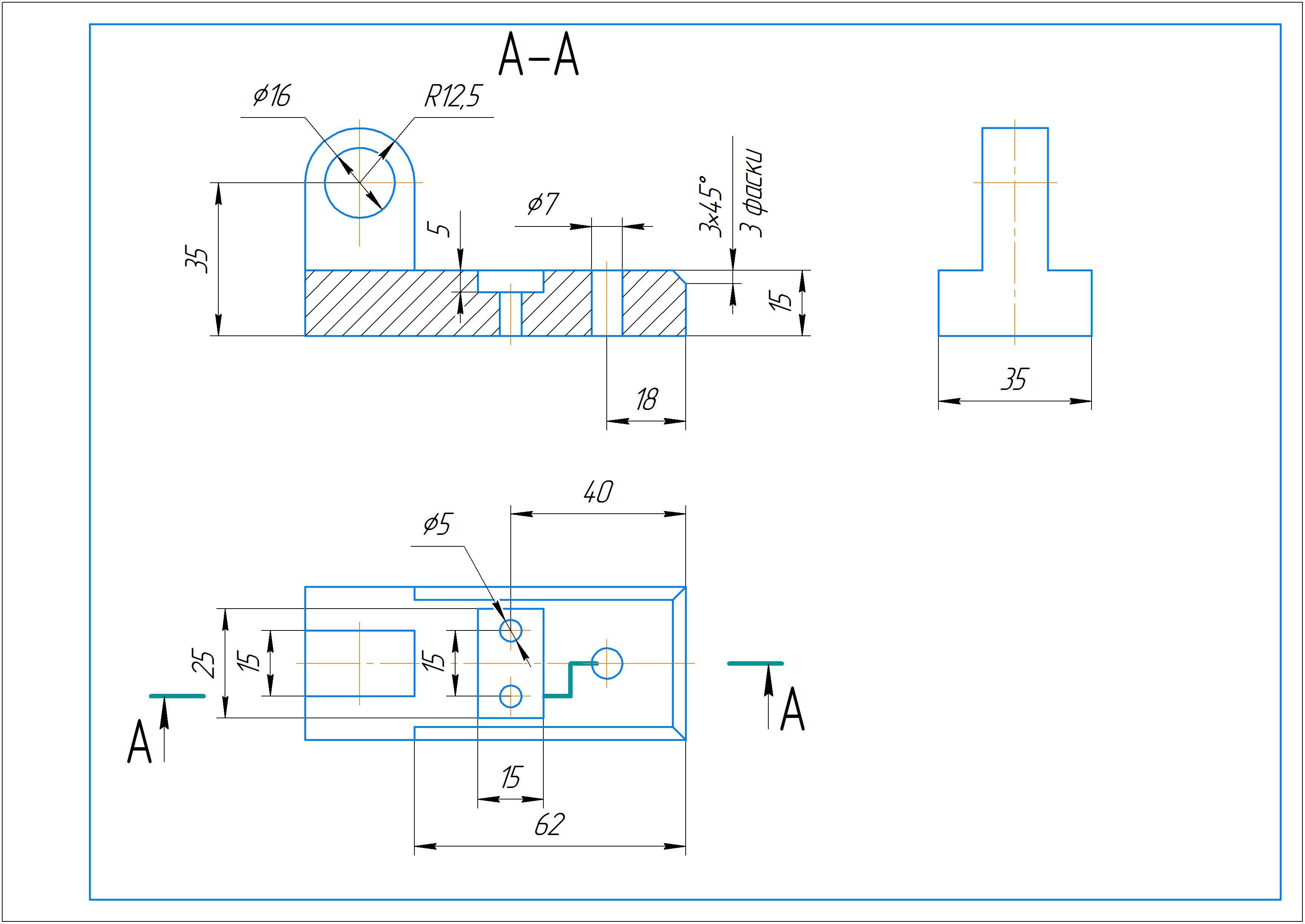
По этому изображению,нужно сделать вид слева,на виде сверху обозначить,а на виде спереди выполнить сложный ступенчастый разрез.Размеры с чертежа
Приложения:
Ответы
Ответ дал:
0
Деталь сделана в масштабе 1:1
Приложения:
Вас заинтересует
2 года назад
2 года назад
3 года назад
3 года назад
9 лет назад
9 лет назад
10 лет назад