записать логическую функцию, описывающую состояние логической схемы. Составить таблицу истинность

Приложения:

Ответы

Ответ дал: ludmilagena
0
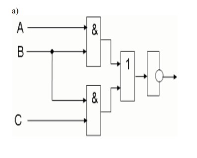
F= ¬(A*B+B*C)     - по схеме

таблица:

ABC    A*B  B*C   A*B+B*C     F
000      0        0          0            1
001      0        0          0            1
010     0         0          0            1
011      0        1          1            0
100      0        0          0            1
101      0        0          0            1
110       1       0           1            0
111       1       1           1            0

Вас заинтересует
3 года назад