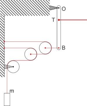
1. (рисунок 1)
Для натяжения токоведущего провода над трамвайными путями собрали систему блоков и рычагов, показанную на рисунке.
Масса груза равна 60 кг, длина рычага BO равна 1,5м, а расстояние OT равно 45см.
С какой силой натянут провод, прикрепленный к рычагу в точке T ?
g считать равным 10 м/с2
Дайте ответ ньютонах с точностью до сотен.
2. (рисунок 2)
Длина рычага педали велосипеда равна 18см.
Радиус звездочки на оси педалей равен 6см, а радиус задней звездочки - 3см.
Радиус заднего колеса равен 33см.
Велосипедист давит на педаль с силой 400Н.
Какова при этом сила натяжения цепи?
Дайте ответ в ньютонах с точностью до целых.
С какой максимальной силой может в этом случае заднее колесо отталкиваться от дороги вперед?
Дайте ответ в ньютонах.
Ответ: сила натяжения цепи равна ... Н. Велосипед отталкивается от дороги с силой ... Н.
Приложения:
Ответы
Ответ дал:
0
1) к точке B приложена сила F1=4*T=4*mg=4*60*10=2400 Н
из условия равновесия рычага F1*L=Fн*d
Fн=F1*Ld=2400*1,5 ,45=8000 Н
из условия равновесия рычага F1*L=Fн*d
Fн=F1*Ld=2400*1,5 ,45=8000 Н
Вас заинтересует
2 года назад
2 года назад
3 года назад
3 года назад
9 лет назад
9 лет назад
10 лет назад