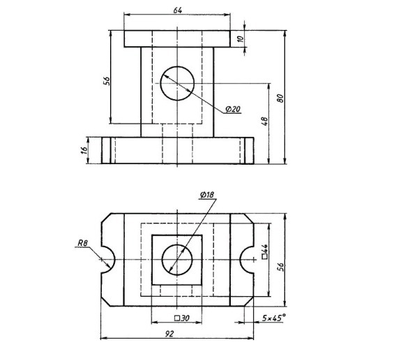
Выполните необходимые разрезы на чертеже опоры и её изометрическую проекцию с вырезом.
Приложения:
Ответы
Ответ дал:
3
Чертеж и изометрическая проекция с вырезом показана на рисунке.
Приложения:
Вас заинтересует
2 года назад
2 года назад
2 года назад
2 года назад
3 года назад
3 года назад
9 лет назад