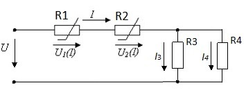
Цепь состоит из двух параллельно соединенных сопротивлений R3=R4=20 Ом и двух последовательно соединенных нелинейных сопротивлений с ВАХ показанными на рис.4.6. Чему равно эквивалентное сопротивление цепи (Ом) и напряжение U (В), если ток через резистор R1 равен 1 А?
Приложения:



Ответы
Ответ дал:
0
Так, как резисторы R1 и R2 соеденены последовательно ток на этом участке I = 1A; Определим общие сопротивления на участках с последовательным и параллельным соединением. Второй участок
Rобщ = R3 * R4 / (R3 + R4) = 20Ом * 20Ом / (20Ом+20Ом) = 10 Ом; На участке с параллельным соединением резисторов напряжение должно быть одинаковым на каждом из резисторов Vобщ = V1 = V2 = I * Rобщ = 1А * 10 Ом = 10 В. Теперь можно определить общее сопротивление на последовательном участке с резисторами R1 и R2 Rпосл = V / I = 10В / 1А = 10 Ом
Rобщ = R3 * R4 / (R3 + R4) = 20Ом * 20Ом / (20Ом+20Ом) = 10 Ом; На участке с параллельным соединением резисторов напряжение должно быть одинаковым на каждом из резисторов Vобщ = V1 = V2 = I * Rобщ = 1А * 10 Ом = 10 В. Теперь можно определить общее сопротивление на последовательном участке с резисторами R1 и R2 Rпосл = V / I = 10В / 1А = 10 Ом
Вас заинтересует
2 года назад
3 года назад
3 года назад
8 лет назад