Ответы
Ответ дал:
0
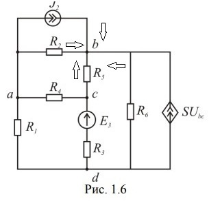
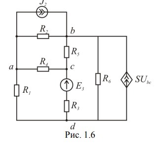
Рассмотрим узел b.
В этот узел входят или выходят из него 4 тока:
1) Ток источника J₂
2) Ток, протекающий через R₂
3) Ток, протекающий через R₅
4) Ток, протекающий через R₆ и SUbc.
Таким образом, I закон Кирхгофа для узла b:
J₂ + I₂ + I₅ + I₆ = 0
В этот узел входят или выходят из него 4 тока:
1) Ток источника J₂
2) Ток, протекающий через R₂
3) Ток, протекающий через R₅
4) Ток, протекающий через R₆ и SUbc.
Таким образом, I закон Кирхгофа для узла b:
J₂ + I₂ + I₅ + I₆ = 0
Приложения:
Ответ дал:
0
Так же: входят или выходят токи, протекающие через R1, R3, через R6 и SU: I1 + I3 + I6 = 0. Мы не знаем НАПРАВЛЕНИЕ токов, поэтому везде "+"... Вот только я не помню, как обозначается ток через SU. Условно записал как будто бы его нет...
Ответ дал:
0
У меня сложность с SUbc, он будет участвовать в вычислениях?
Ответ дал:
0
направления произвольные
Ответ дал:
0
Должен. Не помню... Глянь учебник, электротехнику я уже забыл...
Ответ дал:
0
И вообще, в узле сходятся 3 тока.... Пиши как у меня, препод поправит :)))
Вас заинтересует
2 года назад
2 года назад
3 года назад
3 года назад
9 лет назад
9 лет назад
10 лет назад