помогите Исправить ошибки на чертеже вариант 20 и построить главный вид по этим разрезам
Приложения:

Ответы
Ответ дал:
2
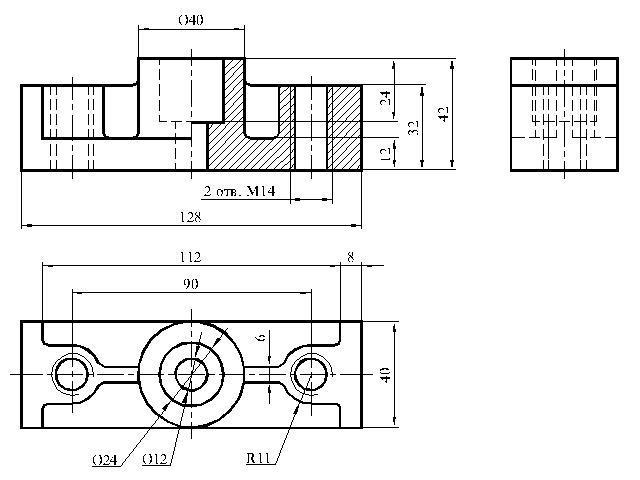
Главный вид - левая сторона, а правая сторона - фронтальный разрез.
Ребро штриховать не нужно.
На виде сверху добавила отверстие в центре и правильно оформила отверстия под резьбу.
Начертила вид слева, но он не несет никакой информации - не нужен.
Ребро штриховать не нужно.
На виде сверху добавила отверстие в центре и правильно оформила отверстия под резьбу.
Начертила вид слева, но он не несет никакой информации - не нужен.
Приложения:

Вас заинтересует
1 год назад
1 год назад
2 года назад
2 года назад
3 года назад
3 года назад