Ответы
Ответ дал:
0
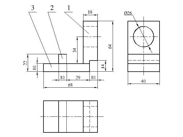
Так как это сборочный чертеж, проставила позиции деталей.
Деталь (поз. 1) - чертеж сделала, а остальные детали идут без чертежа.
Вам осталось составить спецификацию (если Вы это проходили)
Удачи!
Деталь (поз. 1) - чертеж сделала, а остальные детали идут без чертежа.
Вам осталось составить спецификацию (если Вы это проходили)
Удачи!
Приложения:
52069:
Спасибо большое!!!
Вас заинтересует
2 года назад
2 года назад
2 года назад
2 года назад
3 года назад
3 года назад
9 лет назад