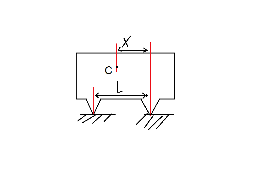
расстояние,между двумя опорами балки равно l=2,8 м,а расстояние между правой и левой опорой и центром масс равно x=2,1м. Для того чтобы опредилить массу балки,под правую опору подставили весы.Их показания составили m=2400 кг.определите массу балки.
Приложения:

Ответы
Ответ дал:
0
mg(l-x)=Mgl
m=M(l/(l-x))
m=2400*4=9600
Вот и всё)
m=M(l/(l-x))
m=2400*4=9600
Вот и всё)
Ответ дал:
0
а что мы находим когда l/(l-x)?
Вас заинтересует
2 года назад
2 года назад
8 лет назад
10 лет назад