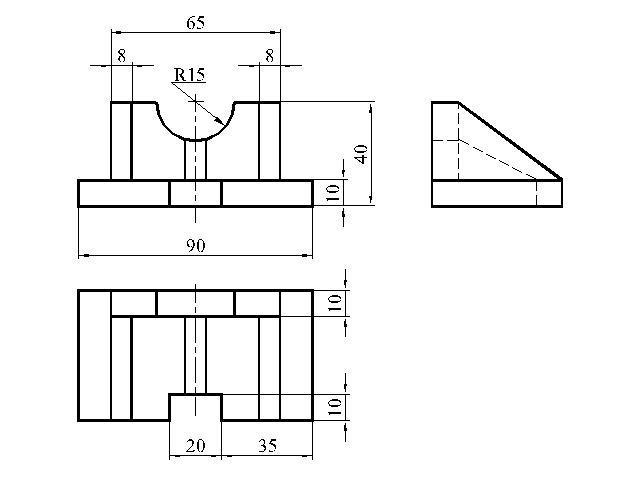
Помогите пожалуйста начертить по наглядному рисунку вид : спереди , сверху и слева и нанести размеры
Приложения:
                     
                            Ответы
                                            Ответ дал: 
                                                                                            
                                                    
                                                
                                                                                    
                                        
                                            
                                                
                                                
                                                
                                                    0
                                                
                                            
                                        
                                    +++++++++++++++++++++++++++++++++++++++++++
Приложения:
                     
                            
                    Букса:
                    Где задание?
                
            
                    
                    Я не могу с телефона задать вопрос
                
            
                    
                    черчения нету в предметах
                
            
                    
                    Эти задания выкладывают в "других предметах", только в начале написать: черчение
                
            
                    
                    Я через минут 30 скину и напишу
                
            
                    
                    Мне нужно будет пересечение плоскости с призмой
                
            
                    
                    Я слежу ...
                
            
                    
                    Извините , что припоздал
                
            
                    
                    https://znanija.com/task/30781730
                
            
                    
                    вот
                
            Вас заинтересует
                
                        1 год назад
                    
                
                        1 год назад
                    
                
                        2 года назад
                    
                
                        2 года назад
                    
                
                        3 года назад
                    
                
                        8 лет назад