• Предмет: Физика
  • Автор: mannanovv
  • Вопрос задан 8 лет назад

Помогите решить
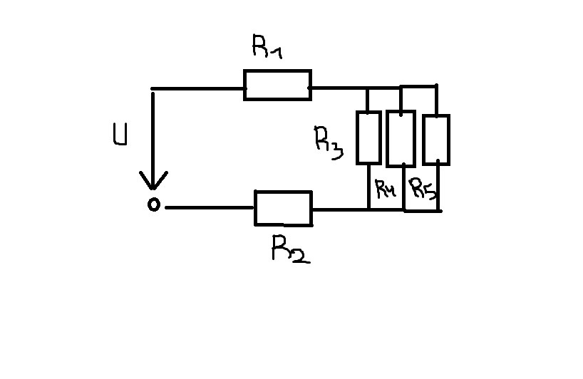
Дано:
U=60 B
R1=2 Ом
R2=4 Ом
R3 10 Ом
R4=12 Ом
R5=15 Ом
Rэкв,ток-?

Приложения:

Ответы

Ответ дал: andrew211
0

Резисторы R3,R4,R5 соединены параллельно, их общее сопротивление равно

1/(1/10+1/12+1/15) = 4 Ом

Теперь резисторы R1,R2 и сборка соединены последовательно.

Значит их сопротивление суммируется и равно 2+4+4 = 10 Ом.

Rэкв = 10 Ом.

Ток равен I = U/R = 60/10 = 6 А

I = 6A

Вас заинтересует